微信咨询
|
电话咨询
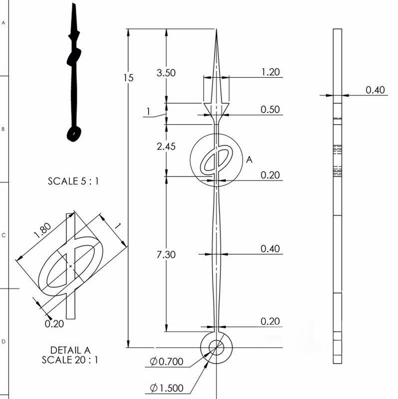
论坛其实是很好的交流平台,在茶楼喝茶聊表基本上是休息颈椎……难得有很多朋友对传统工艺的热情,这帖只谈倒角。放下数控加工中心不说,因为我们更尊重传统,但基于目前高效,现代前期数控会把型塑得更好,但我们仅剩的传统是什么?是天才的匠人施展心智的时候,所有的灵性和卖点都在那些地方,说穿了,人工打磨其实是一种心智的体现,如果没有这些,高科技当属日本表,说到这里,我不得不作一个比较,如果全手工切割塑型及打磨倒角不仅仅是慢,而且效果并不完美,而设备塑造前期,后期人工倒角打磨均可以完美化,至于究竟有多完美,就看你对这个表的态度和所用的心智。上几张图,前几张图是手工画图全盘自已设计制作的Q型指针,后几张是厂家根据我的创意绘图加线切割前期,最后由我精饰加打磨成型的。







后期倒角加镜面,最后的计时钢件是厂家前期我倒角加拉丝。
计时钢件





计时钢件



秦师傅,虽然这标题说道是只讲倒角,不过帖子里略微说到了机加工的客观存在,那我不可避免一提。
可以说,机加工是机械的根本,倒角只是机械艺术的一则体现。秦师傅的倒角技术令人佩服,但是有些客观的东西,不是打磨这类完工度(finishing)可以替代的。
比方说,您在6楼的蜗轮,明显是非线性的。如果用来逆跳指针,刻度间距会不整齐;如果用来做周期性启动装置,那么在周期中因为非线性弹力会对发条力矩平稳输出有影响。
再比方说,您在7楼的报时鸟,每一个棘齿的齿形(profile),齿峰(pitch)高度,以及齿间距,都完全不同。这个报时鸟,如果真的装上表,轻则报时速度不均,重则因阻力不均匀而卡住减速机构。

这些制表师在不经意间,锻炼出了一个顶级工程师该有的品质。顶级工程师之于普通人,有如智人之于类人猿。他们是创造并驯服工具的人。顶级工程师纵然没有专业的审美训练,但因科学和美学相通,他们美学素养一般不差,比方说他们创造的性能各异的战机,就有很多极美的设计。

而现代所谓制表师呢?无非是一群各司其职的雇员。设计外观的,构思机芯的,画CAD的,搞CAM的,组装的,质检的,销售的。什么人都有,就是没有顶级工程师,因为顶级工程师早已经撤出了钟表行业一百余年,投身更多更需要他们的行业去了。失去了具有顶级工程师素质的人的支持,钟表这个所谓科技和美学结合的行业,自然很难再大量产出珍珠啦。
为什么追捧乔治丹尼尔?(他徒弟以他名义制作的ETA2500机芯总量70枚的表,拍卖价格比肩dufour亲手打磨的自产机芯的simplicity,可见乔治丹尼尔被追捧)
因为他具有顶级工程师的素质。
他一人能完成表里所有零件,不代表他做的零件比表厂好,而代表了他有能力将美学和机械结合,他也的确做到了。
发明擒纵和使用擒纵的人,水平大不同,就像发明公式的人和套用公式的人一样,有显著差别。

这个世界噱头太多。什么古法制作遵循传统,什么手工完成投入了大量心血,离开了“机械与美学结合”这个主旨,用古法就真的有过去制表师的高度了?花大量心血的手工就真的令人感动了?不见得。
感动人的是美,稀有的是追求美的能力。
PS:看过秦师傅很多自制的小工具,这点十分佩服。也看过秦师傅往期许多完整完成的作品,十分有趣,古今内外制表人中,秦师傅都可算风格独特。
我个人没什么作品,既然秦师傅点名了,那我狗尾续貂一下最近做的小东西

手锯,手磨砂,手工倒角

还有也是今天完成的钢件

黑光镜面+倒角
事实上,自已传流加工在各方面都不如数控来得方便,有些东西正如杜弗说的,可以做到你想吐





继续三问报分鸟










首先我得说下我所制作的这些零部件全部都能正常使用,而且与原件并无太大差异。现代钟表为什么拥有那么多的现代化设备还反不如以前了,我想说的不是设备问题,是人的问题,如果总是盯着别人的缺点,行业界就不会完美的整合,钟表讲究的是专业分工,发挥各自最优秀的点,然后整合才能出好的产品,但这仅仅只是产品,现代表能称得上艺术品的太少,而在怀表时代能看到的钟表艺术品很多,我拆解过大量的这类钟表,其实里面的零件并非机制的要求绝对的规范,那些我相信是真正的手工,就象拿起画笔画出的一幅画,而GF这类现代表,挺多就是一幅印刷品,我并不是刻意去贬低现代设备,我也喜欢高效快速出件,但如果手工所做的一切,机械化能完全替代,那手工的意义在哪里,难道仅仅是情怀?显然不是,因为我个人认为世界上最精巧的工具仍然是人手,只是大多数人的手不是那么灵巧了,因为大家都懒了,交给机器去做了,很多事情越不做就慢慢退化了……





手工开齿,重点是造型和打磨







就我而言,古董的酸枝坤甸家具上的雕刻艺术以前都是人手雕琢的,相同的题材却是不同的手工风格,通常行家说那是“工”,当然,那工也是分369等的,顶级的工,能看着许许如生,百看不厌,打磨后条子的润,那种无法用言语表达,但却能从内心处明白,这是手工而不是机工。对比现代仿古品,机工人工的结合品,机产效率再高,手法再好,同题材的再标准化,也无发散出那种生动的气息,一看便知是机工后人工的作品,当然完全机工标准化的更是一眼过。这问题我也考究过,看着朋友厂做的高级仿古作品,和看着一套原版古董作品,完全两码事,其原因是,前者用机械标准化开初型,然后顶级师傅再轮廓细雕打磨,但是由于每张椅背的题材都是机工标准化的模板,所以,条子大小都是一至的,顺理成章,打磨细雕的变化也是一致,差别不大。然而,回看原版的椅背图案工艺,需每张椅背题材一样,但却有不同的风格和感觉出来,细看,很难发现一致的地方,原因是,开料到成品,都是手工画线雕琢,这里便会出现统一化的公差,要知“差之毫厘失之千里”,这里就有这感觉了。话说这钟表界中,所谓传统工艺和现代工艺的体验,我想感觉雷同。
说到这里,我想重复一下我曾经说过的话,中国本土制造的机械钟表被三道关口挡在了顶极表的门外,一、打磨,二,装配,三,调校,即使是单纯的走时无任何附加功能的机芯,前期加工手段都一样,高级设备可以买得到,而后三项均是软件提升,艺术成份及艺术功能更是在软件之列